Motorky BMW GS - vše o motocyklech BMW řady GS a o cestování na nich
Motorky BMW GS - vše o motocyklech BMW řady GS a o cestování
  • · BMW GS
  • · Fórum
  • · Články
  • · Zprávy
  • · Galerie
  • · Naše fotografie
  • · Odkazy
  • · Ke stažení
  • · Inzerce
  • · Hledat
Reklama
Kalendář akcí
<< Duben 2026 >>
Po Út St Čt Pá So Ne
    1 2 3 4 5
6 7 8 9 10 11 12
13 14 15 16 17 18 19
20 21 22 23 24 25 26
27 28 29 30      
Číst diskusi
Motorky BMW GS - vše o motocyklech BMW řady GS a o cestování :: Cestování :: Tuzemsko
Strana 7 z 8:   1  ...  4    5    6    7    8  
 
Podzimni srazek u vevise v Machove (9.-11.10)
radosek
#121 
Přidané 09.10.2009 08:52
Avatar člena


Příspěvků: 2345
Registrace: 27.08.07
vevis napsal(a):
...Ja myslim,ze v sobotu celodenni dest nebude,spis prehanky...


...jo, tydle přeháňky mám v živý paměti z letoška od kefy...hilarious
 
Bodie a Doyle
#122 
Podzimni srazek u vevise v Machove (9.-11.10)
Přidané 09.10.2009 11:29
Avatar člena


Příspěvků: 97
Registrace: 04.09.09
Hlavně pomalu, kolem Náchoda slíděj chlupatý s grilem... bugs
 
vevis
#123 
Podzimni srazek u vevise v Machove (9.-11.10)
Přidané 09.10.2009 11:41
Avatar člena

Moderátor
Příspěvků: 5903
Registrace: 05.03.08
Tak ja vyrazim na sraz kolem 15h.Ostatni ocekavam mezi 17. a 22.h.Tak kdybych odpadl dnes trochu driv,tak mejte pochopeni.Wink
Teoreticky vím o dvouventilech hodně,ale prakticky jsem úplně levej!Frown
 
Bob
#124 
Podzimni srazek u vevise v Machove (9.-11.10)
Přidané 09.10.2009 12:49
Avatar člena


Příspěvků: 4979
Registrace: 24.10.07
To Toli + Jarda kombajnérSmile:klucí stíháte být u mě na 15hod Horky nad Jizerou u M.B:?
Dovoz a prodej motocyklů Bmw - www.cestovniendura.cz
www.baworak.cz/images/news/2020/bob-logo-ce-small.png
 
www.cestovniendura.cz
toli
#125 
Podzimni srazek u vevise v Machove (9.-11.10)
Přidané 09.10.2009 13:48
Avatar člena


Příspěvků: 6489
Registrace: 13.10.08
Jo já právě vyrážím.
 
http://www.toli-moto.wz.cz/
toli
#126 
Podzimni srazek u vevise v Machove (9.-11.10)
Přidané 09.10.2009 13:51
Avatar člena


Příspěvků: 6489
Registrace: 13.10.08
Jinak já se odpojím a pojedu na MB a jičín-mám tam sraz s jednim kalvérou.
 
http://www.toli-moto.wz.cz/
MiZa
#127 
Podzimni srazek u vevise v Machove (9.-11.10)
Přidané 09.10.2009 13:57
Avatar člena


Příspěvků: 9
Registrace: 20.09.09
Zas tak spatny to nebude, mozna akorat na spani, pokud bude hodne mokro. Akorat kdyby chcalo na vyjizdku, tak by to bylo spatny.
Ale kdyz srovnam predpovedni portaly pocasi.idnes.cz, pocasi.cz a medard-online.cz tak jediny medard spocital dest na sobotu dopolko zbyle dva ukazujou bajwoko stejny trend. Takze optimizmus do kapsy, nepromok sebou a vsechno bude v nejlepsim poradku thumbs up
=====================
MiZa
BMW F 650 ST
 
www.facebook.com/zavodak
hicks
#128 
Podzimni srazek u vevise v Machove (9.-11.10)
Přidané 10.10.2009 11:55
Avatar člena


Příspěvků: 16466
Registrace: 09.07.08
MiZa napsal(a):
Zas tak spatny to nebude, mozna akorat na spani, pokud bude hodne mokro. Akorat kdyby chcalo na vyjizdku, tak by to bylo spatny.
Ale kdyz srovnam predpovedni portaly pocasi.idnes.cz, pocasi.cz a medard-online.cz tak jediny medard spocital dest na sobotu dopolko zbyle dva ukazujou bajwoko stejny trend. Takze optimizmus do kapsy, nepromok sebou a vsechno bude v nejlepsim poradku thumbs up


tak uz jsem doma... od Vevise jsme vyjizdeli ve formaci Remus - Bob - Hix, doufam, ze uz jsou vsichni v poradku doma.

Jinak diky za dobrou akci.. byla p*del Wink Skoda jen, ze musim za chvili vyrazit do Usti do skoly... takze jsem se nezdrzel moc douho.

btw: Radosku ty jsi mi nejak utekl! ja si vzdycky myslel, ze jses vytahlej hubenour Smile)
17 cm
----------------------------------------------------------------
BMW R1200GS LC od 2013, BMW F800 GS od 2008,
Aprilia SR 50 Factory, Praga ED 250, CFMOTO CFORCE 520 Gen2
 
hicks
#129 
Podzimni srazek u vevise v Machove (9.-11.10)
Přidané 10.10.2009 12:03
Avatar člena


Příspěvků: 16466
Registrace: 09.07.08
btw: tohle bylo na dalnici.. husty


http://www.novink...-paty.html
17 cm
----------------------------------------------------------------
BMW R1200GS LC od 2013, BMW F800 GS od 2008,
Aprilia SR 50 Factory, Praga ED 250, CFMOTO CFORCE 520 Gen2
 
radosek
#130 
Podzimni srazek u vevise v Machove (9.-11.10)
Přidané 10.10.2009 19:18
Avatar člena


Příspěvků: 2345
Registrace: 27.08.07
Hicks napsal(a):
... Radosku ty jsi mi nejak utekl! ja si vzdycky myslel, ze jses vytahlej hubenour Smile)

Nóóó, skoro vytáhlej a málem i hubeňour...blushing
Jinak, jistě to není poslední akce. I já bych s Tebou "na živo" rád prohodil pár slov. Ale včera jsem se ňák zasekl u výýýborný domácí meruňky, kterou přivedl na svět Brňák Jim!!
 
radosek
#131 
Podzimni srazek u vevise v Machove (9.-11.10)
Přidané 10.10.2009 19:27
Avatar člena


Příspěvků: 2345
Registrace: 27.08.07
Jo a málem jsem zapomněl poděkovat Vevisovi za zorganizování srazu a super nocleh.
Dál taky Hanibalovi a kolektivu za výbornou kuchyni a domácké prostředí.
Jak jsem o tom tak po cestě domů přemýšlel, tak velký dík patří taky Milošovi, protože kdyby nevymyslel tenhle web, tak jsme se vlastně nikdy nepoznali...Shock
Takže Miloši, díky a vydrž...flower
 
hicks
#132 
Podzimni srazek u vevise v Machove (9.-11.10)
Přidané 10.10.2009 20:57
Avatar člena


Příspěvků: 16466
Registrace: 09.07.08
Radosek napsal(a):
Hicks napsal(a):
... Radosku ty jsi mi nejak utekl! ja si vzdycky myslel, ze jses vytahlej hubenour Smile)

Nóóó, skoro vytáhlej a málem i hubeňour...blushing
Jinak, jistě to není poslední akce. I já bych s Tebou "na živo" rád prohodil pár slov. Ale včera jsem se ňák zasekl u výýýborný domácí meruňky, kterou přivedl na svět Brňák Jim!!


Brnak Jim je ten, co mne objimal? Smile)

---

btw: jo skoda.. ale casu bylo krute malo... priste!!!
17 cm
----------------------------------------------------------------
BMW R1200GS LC od 2013, BMW F800 GS od 2008,
Aprilia SR 50 Factory, Praga ED 250, CFMOTO CFORCE 520 Gen2
 
bystricke
#133 
Podzimni srazek u vevise v Machove (9.-11.10)
Přidané 11.10.2009 00:05
Avatar člena


Příspěvků: 3927
Registrace: 04.11.07
já sem tam přiletěl odpoledne a tam skoro nikdo,teda jen moraváciGrin a pár místních
Hliníkové kufry BEGR - www.begr.cz
 
www.begr.cz
toli
#134 
Podzimni srazek u vevise v Machove (9.-11.10)
Přidané 11.10.2009 13:42
Avatar člena


Příspěvků: 6489
Registrace: 13.10.08
Tak já už jsem doma v teple.Za Hradcem sem totálně prochcal a jak mi byla kosa tak jsem zahókal do kotelny,nasadil 160 až do prahy,chvílema sem měl pocit že jedu na splašenym hadovi jak se to vlnilo.

A můj velký dík za trpělivost,půjčené nářadí atd. patří : Vevis,Vevis senior,Thomas,Jim,petr,starosta,kubrt a hlavně Brňák Jim-máš u mě pivo a dvě pojistky.

Perfektně sme pokecali zakalili no prostě akcička jak má být.Ještě jednou díky všem.

PSPfftroslýchá se že Emil za sebe poslal dvojníka-to by vysvětlovalo to podivné chování.
Upravil toli dne 11.10.2009 13:43
 
http://www.toli-moto.wz.cz/
Kubrt
#135 
Podzimni srazek u vevise v Machove (9.-11.10)
Přidané 11.10.2009 13:52
Avatar člena


Příspěvků: 6808
Registrace: 24.09.07
Taky se hlásim,jako že jsem v cajku doma.Celou cestu nám přálo počasí jen v Pardubicích přišla betelná smršťAngry Zamával jsem Starostovi a mazal za kámoškou do teplíčka a cestou z Pardubic přišla taková voda,že sem lautr nic neviděl.Docela jsem Starostovi nezávidělGrin

Jinak akce opravdu parádníthumbs upthumbs upthumbs upthumbs up Díky Vevisithumbs up
Pak díky Bystřovi za hrneček,už z něj sosám kávec.
To Toli : neděkuj,pamatujWink
Každou stresovou situaci řeším jako pes: když to nemůžu sežrat nebo ošukat, tak to pochčiju a odejdu od toho.
 
PeDR
#136 
Podzimni srazek u vevise v Machove (9.-11.10)
Přidané 11.10.2009 14:46
Avatar člena


Příspěvků: 1543
Registrace: 11.08.07
Přidávám se k zprávařům, domů jsem dorazil v poho,u Poděbrad jsem se ještě u pumpy viděl se Štěpánem. Pak dvě deky vody,v Práglu už sucho a než jsem dojel domů, uschl mi i nemok. Jsem rád, že mi to časově vyšlo, všem děkuji za milou společnost a příště, doufám, zaseSmile.
 
starosta
#137 
Podzimni srazek u vevise v Machove (9.-11.10)
Přidané 11.10.2009 14:54
Avatar člena


Příspěvků: 760
Registrace: 24.05.09
Tak hlásím taky návrat domů a jak psal Kubrt v pardubicích začalo cedit a přestalo až v jihlavě.takže i nepromk promok GrinGrinGrin ale nebyl jsem skrz jako bez něj .Jinač taky velký dík za super akcičku skoro v domácím prostředí a doufám že na jaře se tam potkáme zase a v hojnějším počtu.bye
 
www.starosta76.rajce.net
toli
#138 
Podzimni srazek u vevise v Machove (9.-11.10)
Přidané 11.10.2009 16:07
Avatar člena


Příspěvků: 6489
Registrace: 13.10.08
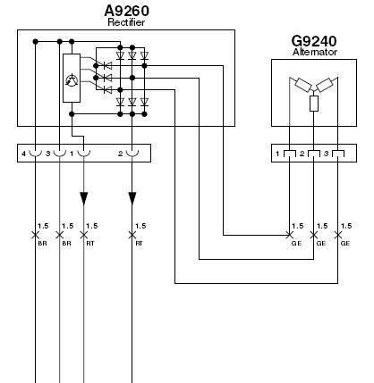
Jime tady posílám vnitřní schéma regulátoru to až uvidíš tak to s tebou sekne.Holt soudruzi to trošku nedomysleli a nebo neměli tak silný káble.
toli přiložený následující obrázek:


[21.08Kb]
 
http://www.toli-moto.wz.cz/
spea - ToM
#139 
Podzimni srazek u vevise v Machove (9.-11.10)
Přidané 11.10.2009 18:25
Avatar člena


Příspěvků: 1416
Registrace: 09.06.09
Chtel by jsem podekovat ze vcerjsi bezva posezeni i kuchyni. Casu jsem bohuzel moc nemel, ale poznal jsem spousty bezva lidi. Wink
R 1100 GS r.v. 1995
www.tomphotos.eu
 
www.tomphotos.eu
stepan
#140 
Podzimni srazek u vevise v Machove (9.-11.10)
Přidané 11.10.2009 22:06
Avatar člena


Příspěvků: 3723
Registrace: 05.06.07
Já jsem dorazil v pořádku po poledni, za Poděbradama jsem taky prochcal, bunda to naštěstí podržela.

Akcičku chválím, na vyjížďce jsem sice nebyl, ale posezení v hodpůdce bylo fajn, těším se zase na příště. Snad s lepším počasím Smile

Přikládám nějakou tu fotku:
stepan přiložený následující obrázek:


[156.77Kb]
Stepan Praha
BMW R 1200 GS Triple Black

http://kouzelnyzi...
https://www.faceb...zelnyzivot
 
http://kouzelnyzivot.cz
Strana 7 z 8:   1  ...  4    5    6    7    8  
Přejít na fórum:
Motorky BMW GS - diskuse :: Cestování :: Tuzemsko :: Více v diskusním fóru
Přihlášení
Jméno

Heslo



Zaregistrovat se
Zaslat zapomenuté heslo
Kdo je on-line
Hosté on-line: 297
Členové on-line: 1
PavelDR

Registrováno: 8,802
Nejnovější člen: ThoraSimon

Poslední návštěvy
Reklama
Vygenerované za: 0.50 sekund
Copyright © 2006 BAWORAK.CZ | Kontakt | Časté dotazy | Pravidla portálu | Hosting poskytuje CGI