Motorky BMW GS - vše o motocyklech BMW řady GS a o cestování na nich
Motorky BMW GS - vše o motocyklech BMW řady GS a o cestování
  • · BMW GS
  • · Fórum
  • · Články
  • · Zprávy
  • · Galerie
  • · Naše fotografie
  • · Odkazy
  • · Ke stažení
  • · Inzerce
  • · Hledat
Reklama
Kalendář akcí
<< Listopad 2025 >>
Po Út St Čt Pá So Ne
          1 2
3 4 5 6 7 8 9
10 11 12 13 14 15 16
17 18 19 20 21 22 23
24 25 26 27 28 29 30
Číst diskusi
Motorky BMW GS - vše o motocyklech BMW řady GS a o cestování :: Motorky BMW :: BMW F650GS
Strana 2 z 2:   1    2  
 
Blbne otáčkoměr
axel1
#21 
Přidané 06.01.2016 13:51

Příspěvků: 6
Registrace: 05.01.16
Toto som kontroloval už dávnejšie, no pozriem ešte raz. Dík
 
axel1
#22 
Blbne otáčkoměr
Přidané 19.01.2016 17:30

Příspěvků: 6
Registrace: 05.01.16
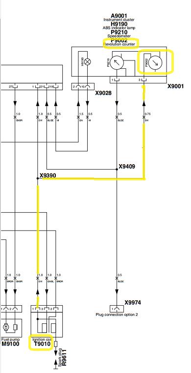
Podľa schémy vedie čierny kábel od zapaľovacej cievky k otáčkomeru.Vie niekto k čomu to je?Riešil to už niekto?Myslel som že impulz dostáva zo snímača otáčok.
 
axel1
#23 
Blbne otáčkoměr
Přidané 19.01.2016 17:34

Příspěvků: 6
Registrace: 05.01.16
Schéma
axel1 přiložený následující obrázek:


[30.66Kb]
 
Edelweiss
#24 
Blbne otáčkoměr
Přidané 20.01.2016 14:06

Příspěvků: 23
Registrace: 29.04.14
možná regulátor dobíjení? ale mě to dělalo obráceně, otáčkoměr vyletěl nahoru a motor se dusil. ale ten otáčkoměr signalizuje, jak už tu někdo psal problém v elektrice.
nějak už to dopadne. ještě se nestalo, aby něco nějak nedopadlo.
 
drY92
#25 
Blbne otáčkoměr
Přidané 01.04.2016 07:25

Příspěvků: 81
Registrace: 10.03.16
Vyřešili jste to nějak, mám podobný problém sporadicky při přidání plynu motorka ukuckne a otáčkoměr vyletí do červena, ovšem motorka má otáčky standartní, jen otáčkoměr ukazuje blbosti...po vymáčknutí spojky otáčkoměr spadne na otáčky motoru
 
toli
#26 
Blbne otáčkoměr
Přidané 01.04.2016 08:15
Avatar člena


Příspěvků: 6489
Registrace: 13.10.08
Máš špony na čidle- sundat pravý víko,očistit a zase složit.
Dvanáctka je nejlepší pivo i motorka.
 
http://www.toli-moto.wz.cz/
drY92
#27 
Blbne otáčkoměr
Přidané 01.04.2016 08:32

Příspěvků: 81
Registrace: 10.03.16
mám najeto 11tis km, je to možný? měnill jsem olej a na magnetický šroubu nic nebylo, dnes ráno když byla teplota vzduchu kolem 10°C dělalo mi to skoro pořád, včera 20°C a vpohodě, napadlo mě čidlo nasávanýho vzduchu
 
toli
#28 
Blbne otáčkoměr
Přidané 01.04.2016 09:31
Avatar člena


Příspěvků: 6489
Registrace: 13.10.08
Jede to i bez čidla teploty vzduchu. Zkus to pravý víko- když to povalíš na bok tak ti ani olej nevyteče jen bacha na těsnění.
Dvanáctka je nejlepší pivo i motorka.
 
http://www.toli-moto.wz.cz/
drY92
#29 
Blbne otáčkoměr
Přidané 01.04.2016 09:33

Příspěvků: 81
Registrace: 10.03.16
Ok, dneska to zkusím Smile a ozvu se. Prý to ani nemusím dávat na bok, stačí na boční stojan, už jsem o tom četl někde tu an foru. A jinak Díky!
 
repsol
#30 
Blbne otáčkoměr
Přidané 02.04.2016 07:11

Příspěvků: 11
Registrace: 30.07.15
jojo, na bok to nepokládej.... stačí na boční stojánek a jde to.... jen bacha na to těsnění jak už tady psali..... mě se ho povedlo přetrhnout, nové stojí i s dopravou kolem 400kč, což není zas taková tragédie Smile
 
drY92
#31 
Blbne otáčkoměr
Přidané 04.04.2016 10:18

Příspěvků: 81
Registrace: 10.03.16
Nakonec nebylo ani třeba čistit čidlo otáček. V míste kde se nastavuje tuhost zadní pružiny, se setkává svazek drátů, který vede od čidla otáček tam sem nalezl prodřený drát. Po zaizolování se závada již neobjevila.
drY92 přiložený následující obrázek:


[100.54Kb]
 
Strana 2 z 2:   1    2  
Přejít na fórum:
Motorky BMW GS - diskuse :: Motorky BMW :: BMW F650GS :: Více v diskusním fóru
Přihlášení
Jméno

Heslo



Zaregistrovat se
Zaslat zapomenuté heslo
Kdo je on-line
Hosté on-line: 109
Členové on-line: 0

Registrováno: 8,750
Nejnovější člen: NacMacFigl

Poslední návštěvy
Reklama
Vygenerované za: 0.18 sekund
Copyright © 2006 BAWORAK.CZ | Kontakt | Časté dotazy | Pravidla portálu | Hosting poskytuje CGI