Motorky BMW GS - vše o motocyklech BMW řady GS a o cestování na nich
Motorky BMW GS - vše o motocyklech BMW řady GS a o cestování
  • · BMW GS
  • · Fórum
  • · Články
  • · Zprávy
  • · Galerie
  • · Naše fotografie
  • · Odkazy
  • · Ke stažení
  • · Inzerce
  • · Hledat
Reklama
Kalendář akcí
<< Únor 2026 >>
Po Út St Čt Pá So Ne
            1
2 3 4 5 6 7 8
9 10 11 12 13 14 15
16 17 18 19 20 21 22
23 24 25 26 27 28  
Číst diskusi
Motorky BMW GS - vše o motocyklech BMW řady GS a o cestování :: Ostatní :: Obecné technické problémy
 
Olejoznak
kim
#1 
Přidané 20.06.2012 22:47
Avatar člena


Příspěvků: 2506
Registrace: 12.10.08
Kolega má menší problém na R1100S (předpokládám že u GS to bude stejné) Prolíná mu olej kolem okýnka olejoznaku; Jak je to tam utěsněno-upevněno,dá se to demontovat a zpravit? Díval se do katalogu a prý to tam jako díl není.
 
hicks
#2 
Olejoznak
Přidané 20.06.2012 22:48
Avatar člena


Příspěvků: 16464
Registrace: 09.07.08
kim napsal:
Kolega má menší problém na R1100S (předpokládám že u GS to bude stejné) Prolíná mu olej kolem okýnka olejoznaku; Jak je to tam utěsněno-upevněno,dá se to demontovat a zpravit? Díval se do katalogu a prý to tam jako díl není.


Morabovi to u zlabka vytrhli a dali nove..
17 cm
----------------------------------------------------------------
BMW R1200GS LC od 2013, BMW F800 GS od 2008,
Aprilia SR 50 Factory, Praga ED 250, CFMOTO CFORCE 520 Gen2
 
Bohumil
#3 
Olejoznak
Přidané 21.06.2012 06:33
Avatar člena


Příspěvků: 5604
Registrace: 13.02.07
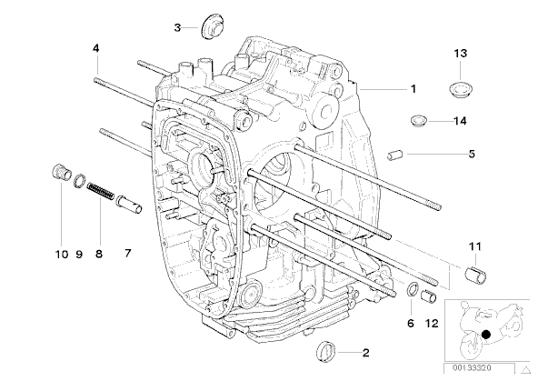
ukazatel stavu oleje,číslo dílu 11118523906 já to měníl onehdá.Viškubnůt odmastit a přes silonový šulek sem to tam naklepl.drží už 1000 km.žádná pojistka tam néni až u 1200 je ocelový kroužek z venku,ten byl k tomu taki takže ten oil znak bude na fšecko pořád stejný...Takže ať se nediví že ten kroužek nemá kam dát Wink
Bohumil přiložený následující obrázek:


[15.76Kb]
Upravil Bohumil dne 21.06.2012 06:35
Kupredu spatki ni krok...
 
morabo
#4 
Olejoznak
Přidané 21.06.2012 07:06
Avatar člena


Příspěvků: 4426
Registrace: 10.09.08
Stoji to asi 250, co si pamatuju. Vymena je fakt snadna. Staci odlozit moto na valec, udelat diru, strcit tam silny zahnuty drat a tahat a tahat. A novej pres neco sikovnyho naklepnout, jak pise Bohumil.
Maiali nel Fango!

+moje cesta do prace: http://vimeo.com/...
+zazitky z Erzbergu 2013:http://www.bmwgs....ost_328808
+rozhovor o Erzbergu IXX a XX: http://www.kolama...e-kodo038/:
 
https://www.facebook.com/remora.prg/
jezek
#5 
Olejoznak
Přidané 21.06.2012 07:45

Příspěvků: 2915
Registrace: 05.11.08
stojí 587,- Kč
 
morabo
#6 
Olejoznak
Přidané 21.06.2012 09:53
Avatar člena


Příspěvků: 4426
Registrace: 10.09.08
jezek napsal:
stojí 587,- Kč

Aha, tak to jsem si popletl, omlouvam se....
Maiali nel Fango!

+moje cesta do prace: http://vimeo.com/...
+zazitky z Erzbergu 2013:http://www.bmwgs....ost_328808
+rozhovor o Erzbergu IXX a XX: http://www.kolama...e-kodo038/:
 
https://www.facebook.com/remora.prg/
kim
#7 
Olejoznak
Přidané 21.06.2012 10:51
Avatar člena


Příspěvků: 2506
Registrace: 12.10.08
OK dik za info.
 
Přejít na fórum:
Motorky BMW GS - diskuse :: Ostatní :: Obecné technické problémy :: Více v diskusním fóru
Přihlášení
Jméno

Heslo



Zaregistrovat se
Zaslat zapomenuté heslo
Kdo je on-line
Hosté on-line: 135
Členové on-line: 0

Registrováno: 8,773
Nejnovější člen: Bohumil Stejskal

Poslední návštěvy
Reklama
Vygenerované za: 0.12 sekund
Copyright © 2006 BAWORAK.CZ | Kontakt | Časté dotazy | Pravidla portálu | Hosting poskytuje CGI