·
BMW GS
·
Fórum
·
Články
·
Zprávy
·
Galerie
·
Naše fotografie
·
Odkazy
·
Ke stažení
·
Inzerce
·
Hledat
Reklama
Kalendář akcí
<<
Listopad 2025
>>
Po
Út
St
Čt
Pá
So
Ne
1
2
3
4
5
6
7
8
9
10
11
12
13
14
15
16
17
18
19
20
21
22
23
24
25
26
27
28
29
30
Číst diskusi
Motorky BMW GS - vše o motocyklech BMW řady GS a o cestování
:: Ostatní ::
Volná diskuze
Motor 1100 a 1150
Fry
#1
Přidané 06.04.2019 23:54
Příspěvků: 1
Registrace: 05.04.19
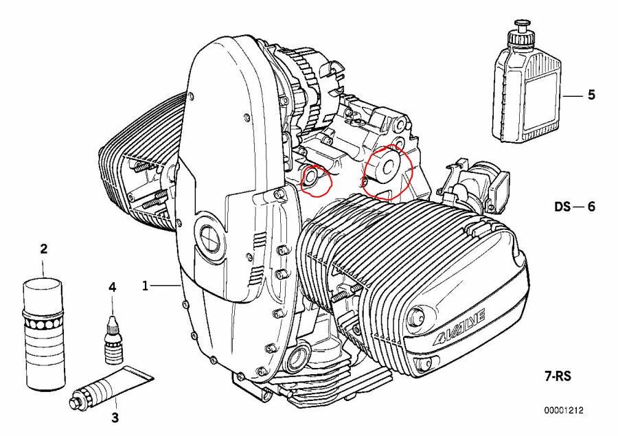
Ahoj najde se mezi vámi někdo kdo by mi mohl změřit délku těchto děr?Viz foto...Jde mi o motory 1100 a 1150.Díky...
Fry přiložený následující obrázek:
[101.94Kb]
Přejít na fórum:
BMW R1300GS
BMW R1250GS a R1200GS LC
BMW R1200GS a R1200GS Adventure (vzducháč)
BMW HP2 Enduro, G 650, G ...
BMW F800GS, F700GS a F650GS
BMW R850GS, R1100GS, R1150GS a R1150GS Adventure
BMW F650GS
BMW R80G/S-PD, R65GS, R80GS, R100GS-PD ...
Ostatní motocykly
Tuzemsko
Cizina
Zkušenosti s prodejci a servisy
Volná diskuze
Ukradené motorky
Připomínky a informace k webu BMWGS.CZ
Obecné doplňky na motorku
Obecné technické problémy
Doplňky pro motorkáře
Touratech
Komerční inzerce
Soukromá inzerce
Motorky BMW GS - diskuse
:: Ostatní ::
Volná diskuze
::
Více v diskusním fóru
Přihlášení
Jméno
Heslo
Zaregistrovat se
Zaslat zapomenuté heslo
Kdo je on-line
Hosté on-line: 105
Členové on-line: 0
Registrováno: 8,750
Nejnovější člen:
NacMacFigl
Poslední návštěvy
Reklama
Vygenerované za: 0.06 sekund
Copyright © 2006 BAWORAK.CZ |
Kontakt
|
Časté dotazy
|
Pravidla portálu
|
Hosting poskytuje CGI